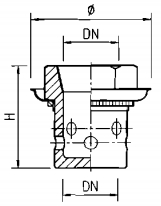
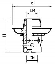
三氟甲烷灭火系统专用组件外形图 (喷嘴、称重装置)
内螺纹连接喷嘴       外螺纹连接喷嘴      喷嘴外形尺寸表



三氟甲烷喷嘴等效孔口面积




三氟甲烷喷嘴等效孔口面积

说明:本图喷嘴与称重装置依据南京消防器材股份有限公司提供的技术资料进行编制。其他企业组件外形可能存在差异,但其基本功能是一致的。
称重装置外形图

称重装置性能参数


称重装置性能参数

说明:
1.本组件用于三氟甲烷、高压二氧化碳灭火剂储瓶的称重。当储瓶内灭火剂重量少于原充装量的95%(CO2为90%)时,微动开关动作,接通报警器发出报警信号。
2.微动开关极易损坏失灵,安装时应注意保护微动开关。
3.调试方法
a.松开保护架上的可调螺钉;
b.移动保护架调整微动开关触点与弹簧片之间的距离L约为标尺值一格,然后将钢瓶提升(可用弹簧秤)5%的药剂重时,使弹簧片刚好触动微动开关触点,蜂鸣器发出报警信号(声光报警),此时紧固保护架上的可调螺钉;
c.转动保护螺母调节保护距离L2,使L2大于弹簧片与微动开关的间距L约1~2mm。再提升钢瓶使弹簧片刚好触动微动开关触点,蜂鸣器发出声光报警信号,此时保护螺母应正好与称重装置下端面接触,以保护弹簧片及微动开关;
d.拧紧保护螺母的止动螺钉。
1.本组件用于三氟甲烷、高压二氧化碳灭火剂储瓶的称重。当储瓶内灭火剂重量少于原充装量的95%(CO2为90%)时,微动开关动作,接通报警器发出报警信号。
2.微动开关极易损坏失灵,安装时应注意保护微动开关。
3.调试方法
a.松开保护架上的可调螺钉;
b.移动保护架调整微动开关触点与弹簧片之间的距离L约为标尺值一格,然后将钢瓶提升(可用弹簧秤)5%的药剂重时,使弹簧片刚好触动微动开关触点,蜂鸣器发出报警信号(声光报警),此时紧固保护架上的可调螺钉;
c.转动保护螺母调节保护距离L2,使L2大于弹簧片与微动开关的间距L约1~2mm。再提升钢瓶使弹簧片刚好触动微动开关触点,蜂鸣器发出声光报警信号,此时保护螺母应正好与称重装置下端面接触,以保护弹簧片及微动开关;
d.拧紧保护螺母的止动螺钉。


